作者简介: 李秋实, 1991年生, 华中科技大学武汉光电国家实验室(筹)激光与太赫兹功能实验室硕士研究生,e-mail: qiushili_hust@163.com
在激光诱谱导击穿光谱技术(laser-induced breakdown spectroscopy, LIBS)中, 元素特征光谱信号强度和信噪比在不同采集延时下具有显著差异, 直接影响定量分析的结果。 LIBS分析系统通常采用通用型延时发生器来控制采集延时, 然而其体积大、 功耗高、 价格昂贵, 不利于LIBS仪器的小型化和便携化。 为此, 采用单片微控制器芯片和简单外围电路设计实现了具有55 ps可调延时精度的多通道微型同步时序发生器(简称LDG3.0), 大幅度降低了同步时序发生器的体积、 功耗和成本。 对比LDG3.0与一种典型通用延时发生器DG535作为同步时序发生器的LIBS系统, 以钒钛生铁中微量钒(V)元素定量检测为例进行两种同步时序发生器性能分析。 结果表明, 采用LDG3.0和DG535的LIBS系统建立的V元素定标曲线拟合系数 R2均大于0.997, 前者的平均相对标准偏差ARSD略小于后者, 达到2.28%; 前者检测极限LoD略低于后者, 达到19.90 μg·g-1。 因此, 自主设计的同步时序发生器LDG3.0与DG535在LIBS系统中的精度基本一致, 完全满足LIBS系统的实际控制和集成应用需求, 特别适合于体积与功耗受限的LIBS仪器。
The intensities and signal-to-noise ratios(SNRs)of characteristic spectrum are remarkably different under disparate delay times in Laser-Induced Breakdown Spectroscopy(LIBS), which affects the performance of quantitative analysis directly. Conventionally, the general digital delay generator is used to control the delay time in LIBS, butit’s not suitable for compact LIBS equipmentsdue to its large size, high power and high price. In this study, a compact synchronizer (LDG3.0) with 55 ps resolution was designed and built by using a microcontroller unit and simple circuits. The LDG3. 0 had a considerably smaller size, lower power and lower price than a general digital delay generator DG535. Quantitative analysis of V element in iron samples was investigated to compare the performance of LDG3.0 and DG535 in LIBSsystem. The results showed that the two LIBS systems with LDG3.0 and DG535 had almost the same calibration curve of V, and the determination coefficient R2 were both above 0.997. The average relative standard deviation(RSD) of V by LIBS system with LDG3.0 was 2.28% which slightly smaller than LIBS system with DG535, and the limit of detection (LoD) of the former was 19.90 μg·g-1 which sligthly below the latter. Therefore, the self-builtsynchronizer LDG3.0 has approximately the same accuracy with DG535 in LIBS systemand meets the control and integration requirements of LIBS. The LDG3.0 is especially suitable for compact LIBS instruments.
引 言
激光诱导击穿光谱技术是一种基于激光诱导等离子体发射光谱分析的物质成分分析方法, 因具有制样简单、 分析快速、 多元素同时分析等优点, 已广泛应用于冶金分析[1, 2, 3]、 环境保护[4, 5, 6]、 生物[7, 8]等领域。 等离子体在形成初期存在很强的连续辐射背景噪声, 导致该时段LIBS光谱的信背比和信噪比较差。 有效的解决办法是采用同步时序发生器控制激光器产生脉冲激光与光谱仪采集光谱之间的时延, 从而避开连续辐射背景噪声[9]。 在不同延时下采集的光谱强度和信噪比具有显著差异, 影响定量分析的准确度和检测极限[10]。 因此, 精确控制光谱采集延时对于获取稳定可靠的LIBS信号至关重要。
LIBS分析系统通常采用通用型数字延时发生器DG535(stanford research systems)控制光谱采集延时。 DG535[11]虽然性能优良, 但体积大、 功耗高、 价格昂贵, 不利于系统集成。 随着LIBS分析系统的仪器化和小型化, DG535已无法满足系统对小体积、 低功耗、 易集成等特性的要求。 国外报道的相关研究和产品多关注于通用型延时发生器, 并未针对LIBS系统进行优化设计。 国内仅见吉林大学丁宇等研究设计专用于LIBS的小型延时发生器[12], 但其设计通道数较少, 仅满足单一激光器的LIBS系统, 无法应用于双激光器的场合。
针对以上问题, 采用单片微控制器芯片和简单外围电路设计实现一种用于LIBS的微型高精度多通道同步时序发生器(简称LDG3.0), 拟大幅度降低同步时序发生器的体积、 功耗和成本。 对比通用型DG535与自主设计LDG3.0作为同步时序发生器的LIBS系统, 以钒钛生铁样品中微量钒(V)元素定量检测为例, 对DG535和LDG3.0两种同步时序发生器的性能进行了对比分析。
实验装置如图1所示。 主要由调Q Nd∶ YAG脉冲激光器(BeamTech, Nimma400, 波长532 nm, 脉冲宽度6 ns, 脉冲能量1~100 mJ, 脉冲频率0~10 Hz)、 激光衰减器、 高倍率聚焦透镜、 三维位移平台、 光谱仪(Andor, Shamrock 500i, 有1200i, 1800i和2400i三个光栅)、 增强型ICCD(Andor, iStar 320T)、 同步时序发生器和计算机组成。 同步时序发生器触发激光器产生脉冲激光, 激光经衰减器衰减后, 由聚焦透镜聚焦于样品表面, 产生等离子体。 等离子体辐射光经光收集器收集后, 通过光纤耦合至光谱仪中分光, 同步时序发生器触发ICCD进行光电转换, 最后将采集数据传输给计算机进行光谱分析。
1.2.1 结构设计
LDG3.0系统结构如图2所示。 基准时钟电路为微控制器(MCU)提供20 MHz基准时钟。 MCU(TI, TMS320C28346)芯片内集成有时钟倍频(PLL)模块、 高精度脉宽调制(HRPWM)模块、 串口通信(SCI)模块、 定时器(Timer)和中央处理器(CPU)[13]。 PLL模块对外部基准时钟进行10倍倍频后产生200 MHz系统时钟, 该时钟用作HRPWM模块的参考时钟。 HRPWM模块包含8个可同步使能的脉宽调制信号发生单元, 本工作采用其中5个, 其在参考时钟的驱动下产生相对于同步使能信号延时独立可调的5路同步脉冲信号。 定时器产生周期性定时中断驱动CPU复位HRPWM, 并发出同步使能信号, 以使HRPWM产生频率可控的同步脉冲时序。 输出驱动电路用于提升同步信号电平和驱动能力。
1.2.2 同步时序产生原理
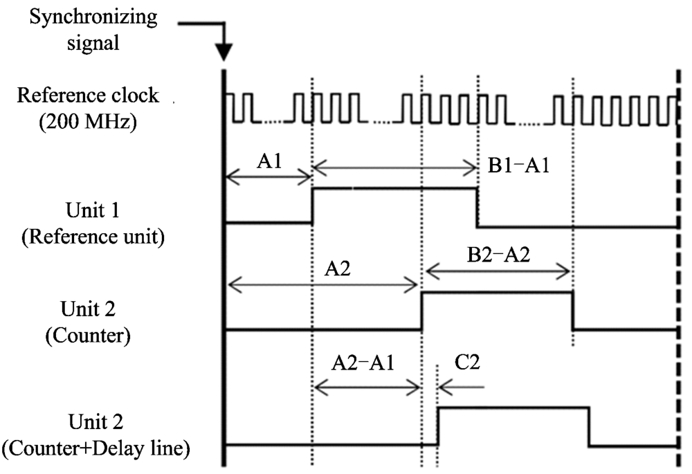
HRPWM模块中的每一单元均可用于产生相对于同步使能信号的可调延时脉冲, 其单元结构如图3所示。 当同步使能信号打开参考时钟时, 计数器开始在参考时钟的驱动下按时钟节拍计数, 并通过比较器与比较寄存器A和B进行数值比较。 当计数器与比较寄存器数值相等时, 均可触发电平跳变, 产生脉冲上升沿或下降沿, 从而产生相对于同步使能信号的延时脉冲。 其延时量等于比较寄存器A的值与参考时钟周期(5 ns)的乘积, 脉冲宽度等于比较寄存器B和A之差与参考时钟周期的乘积。 该延时脉冲经过255级精度为55 ps的片上可编程延时线传输后, 实现二次精细延时, 精细延时量等于寄存器C的值与延时线精度的乘积。
以某一单元的脉冲前沿为基准时间, 其他单元脉冲相对于该单元进行延时, 从而产生相对延时可调的5路同步脉冲时序信号。 单元1与单元2的同步时序如图4所示(A, B和C表示单元寄存器的值)。
分别采用DG535和LDG3.0作为LIBS系统的同步时序发生器, 对7个钒钛生铁标准样品(国家标准样品证书编号: GSB03-2582-2010, 攀枝花钢铁研究院)中钒(V)元素进行定量分析。 其V元素含量如表1所示。
| 表1 钒钛生铁标样中V元素含量对照表 Table 1 Concentrations of V in standard iron samples | 
LDG3.0与DG535实物如图5所示, 主要性能参数如表2所示。 由表2可知, 在满足LIBS对同步时序精度要求的情况下, LDG3.0的体积、 功耗和成本较DG535均有明显减小。
| 表2 LDG3.0与DG535性能参数对比表 Table 2 Specification comparison of LDG3.0 and DG535 | 
采用示波器(Agilent Technologies, DSOX-3104A)分别对DG535与LDG3.0进行延时误差和抖动测试。 测试方法为: 各选择两个通道, 其中一个通道作为基准通道, 测量另一通道脉冲相对基准通道脉冲的延时量, 每一延时量随机测量50次。 延时误差为50次测量值与理想值之差的平均值, 延时抖动为50次测量结果的最大值与最小值之差。 结果如图6所示。 由图可知, LDG3.0的延时平均误差小于DG535, 二者峰峰值抖动均小于300 ps。 满足LIBS系统对同步时序稳定性的要求。
采用优化的实验参数。 激光能量经衰减器衰减后为2.4 mJ, 频率4 Hz。 光谱仪选择1800i光栅, 光谱采集范围427.71~452.08 nm, 采集门宽3 μ s, 单幅光谱积累30个脉冲。 根据美国国家标准与技术研究院(NIST)标准原子光谱数据库, 选择437.92 nm作为元素V的分析谱线, 选择436.09~436.40 nm作为背景波段。 实际谱线如图7所示。
进行时间分辨光谱采集, 每一延时量重复测量10次, 计算不同采集延时下的光强与信背比。 其结果如图8所示。 由图可知, 在相同的LIBS系统中, LDG3.0对光谱强度和信背比的影响与DG535基本一致。
| 图8 V Ⅰ 437.92 nm特征谱线在不同采集延时下的强度(a)与信背比(b)Fig.8 Intensities (a) and SBRs (b) of V Ⅰ 437.92 nm under different delay times | 
为避开等离子体形成初期较强的连续辐射背景噪声, 选择信背比较高的2 μ s作为定量分析的采集延时。 分别使用LDG3.0和DG535作为同步信号发生器控制LIBS系统, 采集7个生铁样品光谱, 每个样品重复测量10次。 根据V元素浓度与光谱强度的关系, 建立定标曲线, 结果如图9所示。 由图可知, 分别使用LDG3.0和DG535作为同步时序发生器时, V元素的定标曲线基本一致, 且二者拟合系数R2均大于0.997, 拟合效果较好。 LDG3.0的平均相对标准偏差ARSD略小于DG535, 达到2.28%; 前者检测极限LoD略低于后者, 达到19.90 μ g· g-1。 由此说明, LDG3.0满足LIBS系统定量分析的要求。
设计并实现了用于LIBS的微型多通道同步时序发生器, 其具有55 ps可调延时精度, 体积和功耗相较于通用型延时发生器DG535均有大幅度减小, 延时平均误差和峰峰值抖动与DG535相近。 对比DG535与自主设计LDG3.0作为同步时序发生器的LIBS系统, 以钒钛生铁中微量钒(V)元素定量检测进行两种同步时序发生器性能分析。 结果表明, LDG3.0在LIBS系统中的实际性能达到DG535的水平。 综上所述, LDG3.0完全满足LIBS系统的要求, 特别适合于体积与功耗受限的LIBS仪器。
The authors have declared that no competing interests exist.
| [1] | 
							 | 
					
| [2] | 
							 | 
					
| [3] | 
							 | 
					
| [4] | 
							 | 
					
| [5] | 
							 | 
					
| [6] | 
							 | 
					
| [7] | 
							 | 
					
| [8] | 
							 | 
					
| [9] | 
							 | 
					
| [10] | 
							 | 
					
| [11] | 
							 | 
					
| [12] | 
							 | 
					
| [13] | 
							 | 
					

				